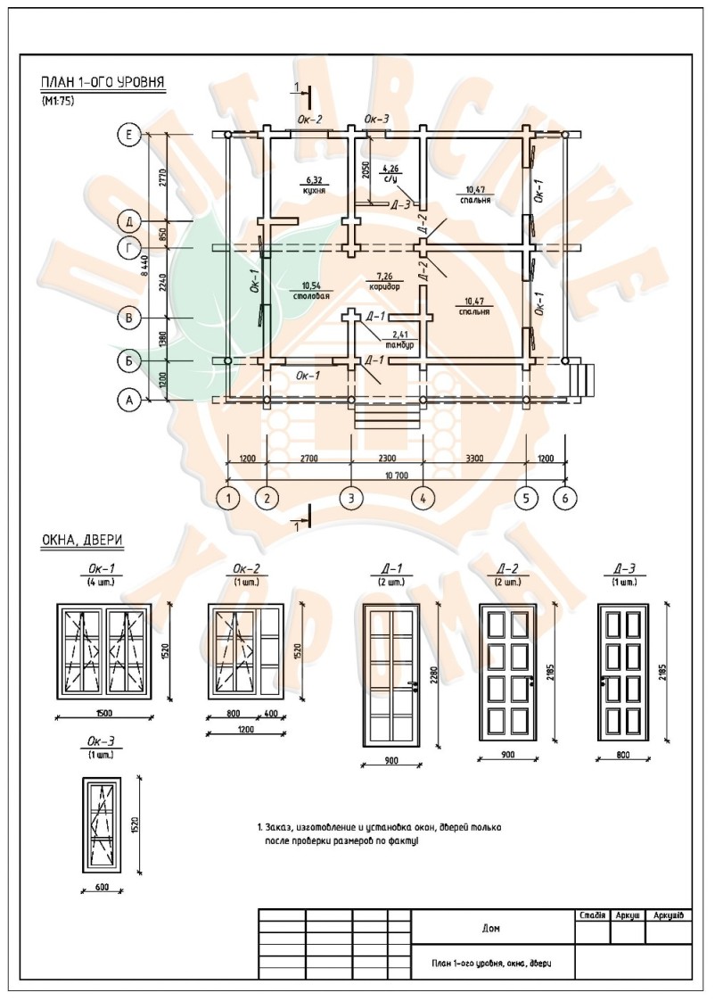
Проект №6 одноэтажного дома из оцилиндрованного бревна площадью 51,73 кв.м.
Экстерьер
Пожалуйста, укажите Ваш телефон. Наши менеджеры перезвонят Вам в ближайшее время и ответят на все интересующие Вас вопросы.
Также Вы можете получить консультацию у дирекции по строительству нашего предприятия по телефонам, указанным ниже (с 8.00 до 20.00, без выходных).